Description
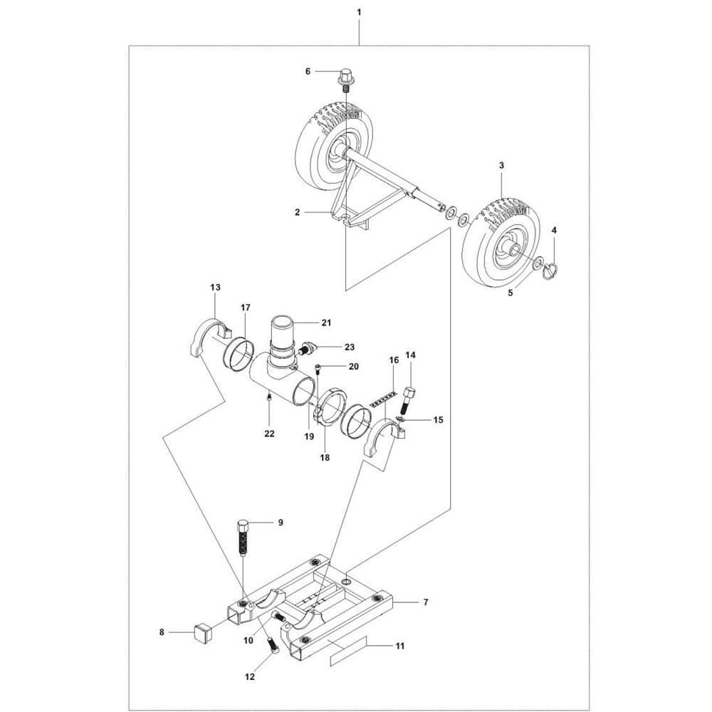
The Base Plate Assembly for the Husqvarna DS 70 Gyro Drill Stand is designed to provide stability and precision during drilling operations. This assembly includes essential components that ensure the drill stand remains secure and effective. Genuine Husqvarna parts are used to maintain the integrity and performance of your equipment.
Reviews
Add a review
Write Your Own Review
Ask a Question
Customer Questions

