Description
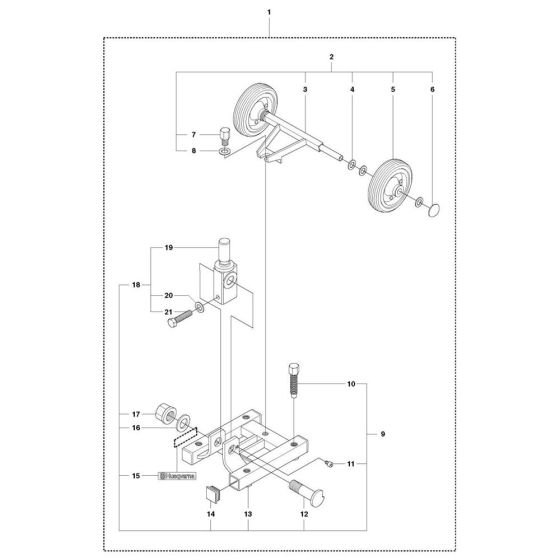
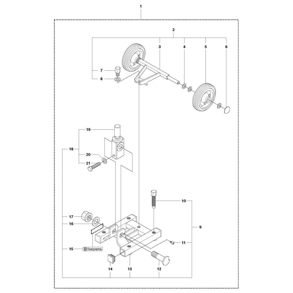
The Base Plate Assembly for the Husqvarna DS 40 Drill Stand is designed to provide stability and support during drilling operations. This assembly includes key components such as mounting brackets, fasteners, and stabilising elements, ensuring precise and secure positioning of the drill stand. Essential for maintaining the performance and safety of your Husqvarna equipment.
Reviews
Add a review
Write Your Own Review
Ask a Question
Customer Questions

