Description
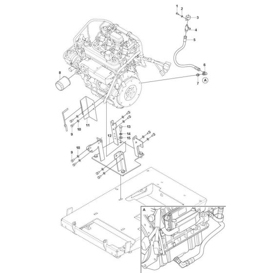
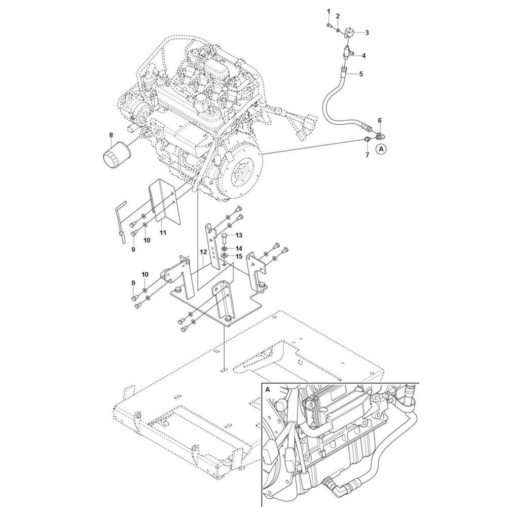
Base Plate, Oil Drain Assembly for Husqvarna FS4600 G II Floor Saw
Genuine Husqvarna Floor Saw Parts
Genuine Husqvarna Floor Saw Parts
Reviews
Add a review
Write Your Own Review
Ask a Question
Customer Questions

