Description
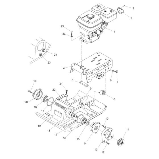
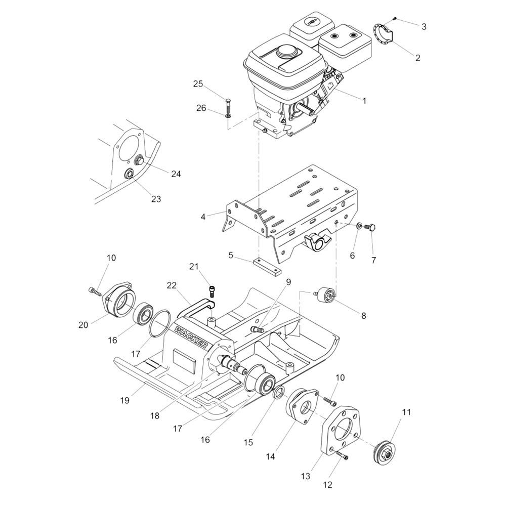
The Baseplate Assembly for the Wacker VPA1340 Compactor is crucial for optimal operation, ensuring effective soil compaction. This assembly includes key components such as the baseplate, shock mounts, and fasteners, which work together to provide stability and durability during use. Designed for the Wacker Neuson Forward Plate Compactor, it supports efficient performance and longevity.
Reviews
Add a review
Write Your Own Review
Ask a Question
Customer Questions

