Description
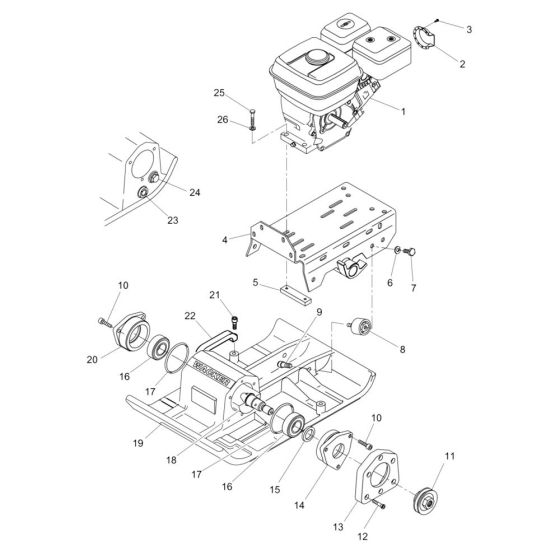
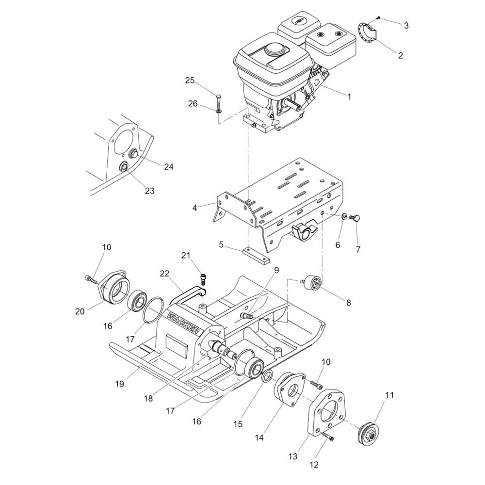
The Baseplate Assembly for the Wacker VPA1350 Compactor is essential for maintaining optimal performance. This assembly includes genuine Wacker Neuson parts designed to ensure the compactor operates efficiently. Typical components may include the baseplate, shock mounts, and fasteners, all crucial for effective soil compaction. Regular maintenance with these parts helps extend the machine's lifespan and reliability.
Reviews
Add a review
Write Your Own Review
Ask a Question
Customer Questions

