Description
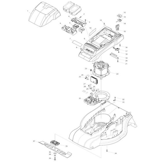
The Battery, Motor Assembly for the Makita DLM380 Mower includes key components to ensure efficient operation and longevity. This assembly is crucial for powering the cordless lawnmower, providing reliable performance for garden maintenance. Components such as the motor, battery connectors, and housing are designed to fit seamlessly, ensuring optimal functionality.
Reviews
Add a review
Write Your Own Review
Ask a Question
Customer Questions

