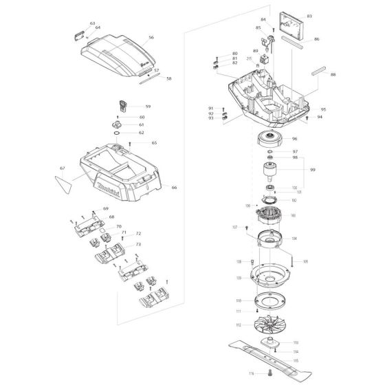
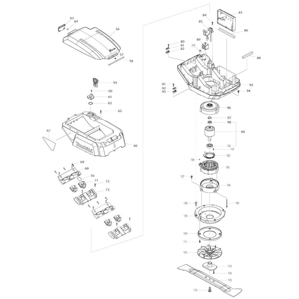
Description
The Battery and Motor Assembly for the Makita DLM530 Mower includes key components to ensure efficient and reliable operation. This assembly is crucial for powering the cordless lawnmower, providing the necessary energy and drive. Genuine Makita parts ensure compatibility and performance, with options available for different battery capacities and motor specifications.
Reviews
Add a review
Write Your Own Review
Ask a Question
Customer Questions

