Description
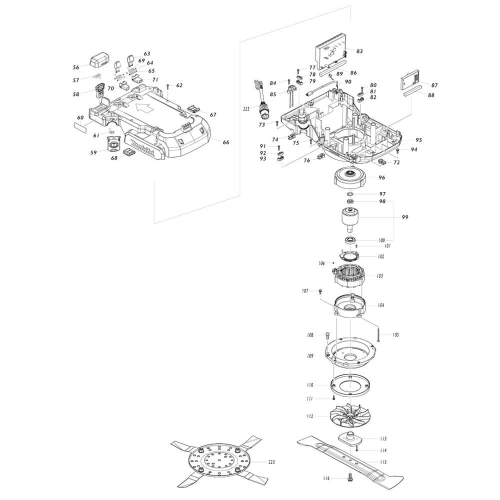
The Battery and Motor Assembly for the Makita LM001C Mower includes key components to ensure efficient operation and longevity. Designed for the Makita cordless lawnmower, this assembly provides the necessary power and drive for effective grass cutting. Components such as the battery, motor, and connectors are included, ensuring reliable performance.
Reviews
Add a review
Write Your Own Review
Ask a Question
Customer Questions

