
Belle RPC60 Reversible Plate Compactor Parts
Belle RPC60 Reversible plate compactors genuine parts. Parts diagram is included to help find the exact part you need. This particular This particular Belle machine was designed with protective side covers for deep trenches and can be extended to 700mm.
Belle RPC60 Reversible plate compactors genuine parts. Parts diagram is included to help find the exact part you need. This particular This particular Belle machine was designed with protective side covers for deep trenches and can be extended to 700mm.
Shop by diagram

Baseplate Assembly for RPC60

Baseplate Assembly for RPC60

Baseplate Assembly for RPC60

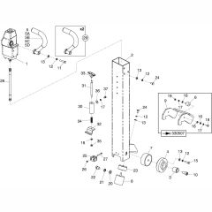
Frame Assembly for RPC60

Frame Assembly for RPC60

Top Cover Assembly for RPC60

Top Cover Assembly for RPC60

Handle Assembly for RPC60

Handle Assembly for RPC60

Gearbox Assembly for RPC60

Gearbox Assembly for RPC60

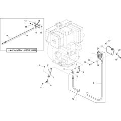
Engine & Drive Kit for RPC60

Throttle Cable Assembly

Baseplate Assembly for RPC60

Engine & Drive Kit for RPC60

Decals for Altrad Belle RPC60

Battery Holder Assembly

Gearbox Assembly for RPC60

Pump Assembly for RPC60
All products
-
Circlip Fits Belle Minimix 150 Gearbox - MS22£1.07 £0.89
-
Washer M10 for Belle Construction Equipment£0.48 £0.40
-
Washer M8 for Belle Construction Equipment£0.52 £0.43
-
Washer M6 for Belle Construction Equipment£0.52 £0.43
-
Screw M8 x 16 for Belle Construction Equipment£0.48 £0.40
-
Washer M12 for Belle Premier XT Site Mixer£0.48 £0.40
-
Washer M8 for Belle Maxi 140 Mixer - 4/8004£0.48 £0.40
-
Handle Orange for Belle RPC30, RPC35 Compactor - 161/07700£182.76 £152.30
-
Bolt M12 x 25 for Belle Premier XT Site Mixer£0.84 £0.70