
Belle RPX35 Reversible Plate Compactor Parts
Belle RPX35 Reversible Plate Compactor Genuine Parts, with a full parts diagram for each assembly on the machine. This Reversible Plate compactor has be designed for long life and can be used in the toughest of conditions. Also has an angled baspeplate for improve gradability and travel speeds.
Belle RPX35 Reversible Plate Compactor Genuine Parts, with a full parts diagram for each assembly on the machine. This Reversible Plate compactor has be designed for long life and can be used in the toughest of conditions. Also has an angled baspeplate for improve gradability and travel speeds.
Shop by diagram

Baseplate Assembly for RPX35

Frame Assembly for RPX35

Handle Assembly for RPX35

Pump Assembly for RPX35

Gearbox Assembly for RPX35

Gearbox Assembly for RPX35

Diesel Engine Drive Kit

Battery Assembly for RPX35

Decals for RPX35 Plate

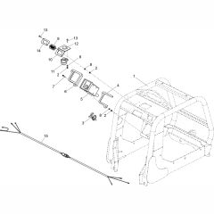
Controls Assembly for RPX35

Controls Assembly for RPX35

Controls Assembly for RPX35

Gearbox Assembly for RPX35

Gearbox Assembly for RPX35

Drive Kit for Altrad Belle RPX35
All products
-
Circlip Fits Belle Minimix 150 Gearbox - MS22£1.07 £0.89
-
Washer 1/4? Fits Belle PCLX Compactor - 4/6011£0.48 £0.40
-
Buzzer 12v Continuous - Genuine Belle Part - 70/0267£13.82 £11.52
-
Washer M8 for Belle Construction Equipment£0.52 £0.43
-
Washer M6 for Belle Construction Equipment£0.52 £0.43
-
Washer M12 for Belle Premier XT Site Mixer£0.48 £0.40
-
Handle for Altrad/Belle RPX35 Compactor - OEM No. 161/32800£196.56 £163.80
-
Oil Seal for Belle RPC30 Compactor - 5/0054£20.35 £16.96