Description
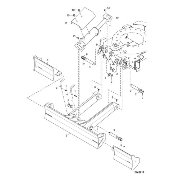
The Blade Assembly for BobCat E14 Mini Excavators ensures optimal performance and durability. Designed for models with serial numbers AHNM11001 and above, this assembly includes components like blades, bolts, and brackets. It plays a crucial role in excavation tasks, providing stability and precision. Available in genuine and non-genuine parts to suit various maintenance needs.
Reviews
Add a review
Write Your Own Review
Ask a Question
Customer Questions

