Description
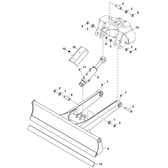
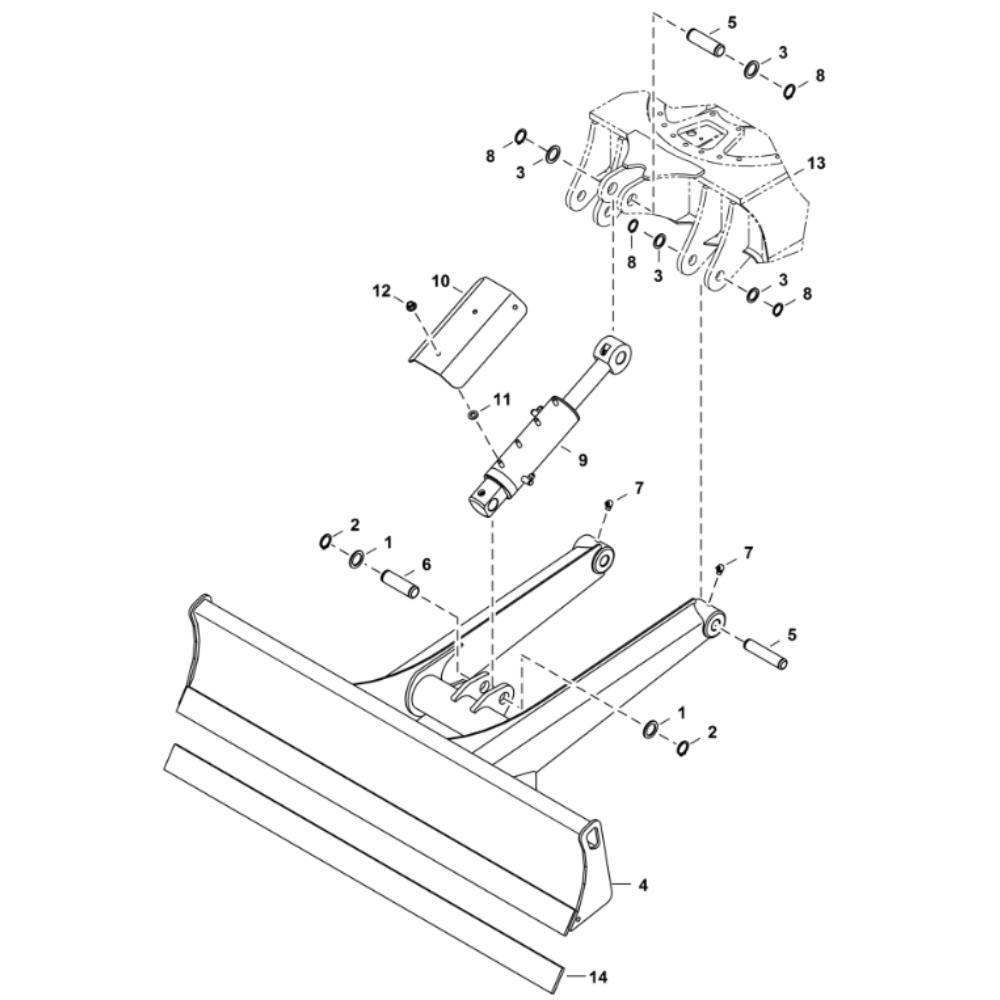
The Blade Assembly for BobCat E25 Mini Excavators, suitable for serial numbers AB8B11001 and above, ensures optimal performance and durability. This assembly includes essential components such as blades, bolts, and fittings, designed to maintain the efficiency of your excavator. Available in both genuine and non-genuine parts, it supports various operational needs.
Reviews
Add a review
Write Your Own Review
Ask a Question
Customer Questions

