Description
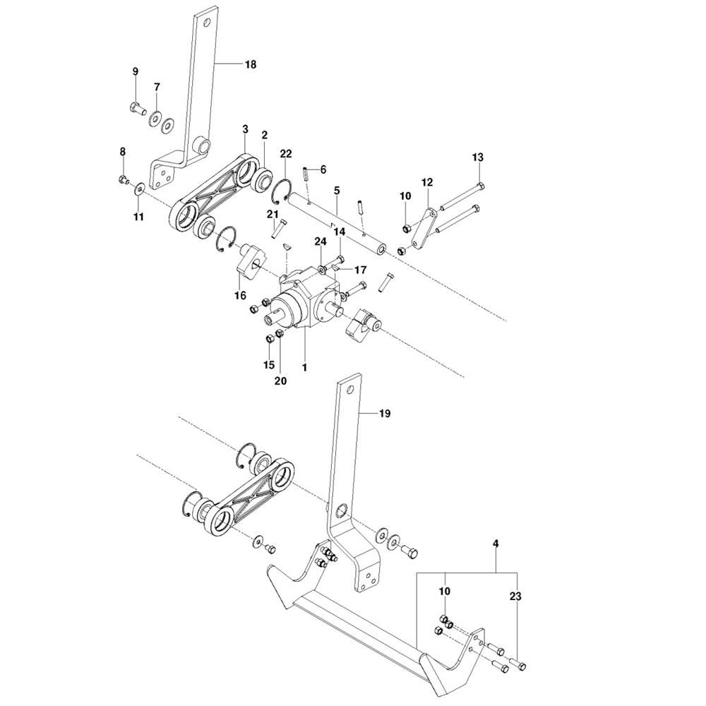
The Blade Drive Assembly for the Husqvarna SC18A Sod Cutter is crucial for efficient sod cutting operations. It includes components that ensure smooth and effective blade movement, enhancing the machine's performance. Typical parts may include belts, pulleys, and tensioners, all designed to maintain optimal functionality and durability.
Reviews
Add a review
Write Your Own Review
Ask a Question
Customer Questions

