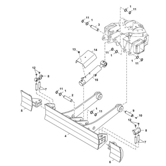
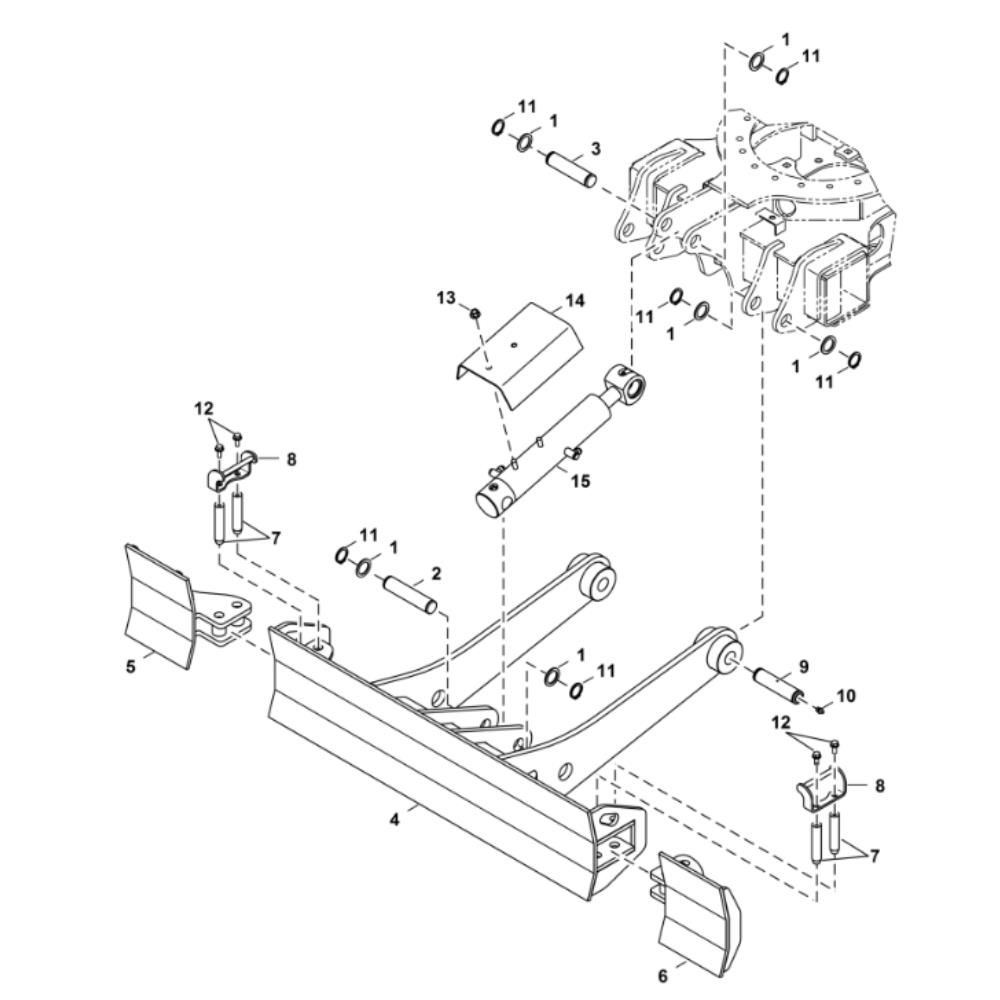
Description
The Blade Assembly for BobCat E17 Mini Excavators is designed to ensure optimal performance and durability. Suitable for models with serial numbers B4PR11001 and above, this assembly includes essential components like blades, brackets, and fasteners. It plays a crucial role in excavation tasks, providing stability and precision during operation.
Reviews
Add a review
Write Your Own Review
Ask a Question
Customer Questions

