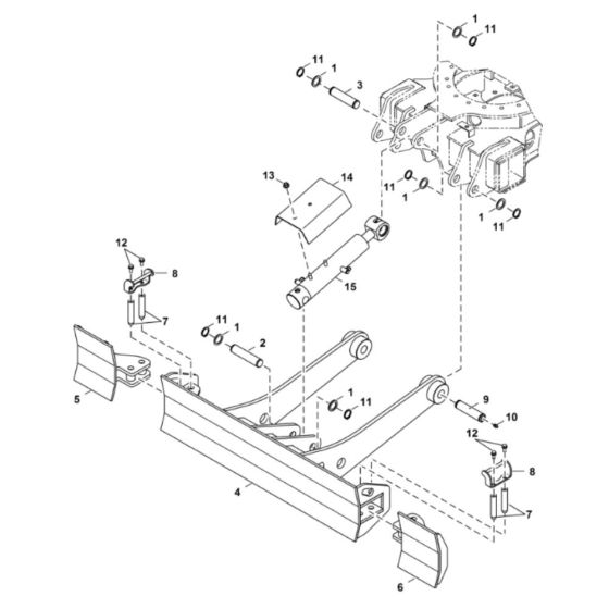
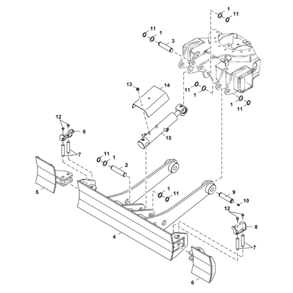
Description
The Blade Assembly for BobCat E17Z Mini Excavators ensures optimal performance and durability. Suitable for models with serial numbers B4AW11001 to B4AW11660, it includes essential components like blades, bolts, and brackets. This assembly is crucial for maintaining the machine's efficiency in various excavation tasks.
Reviews
Add a review
Write Your Own Review
Ask a Question
Customer Questions

