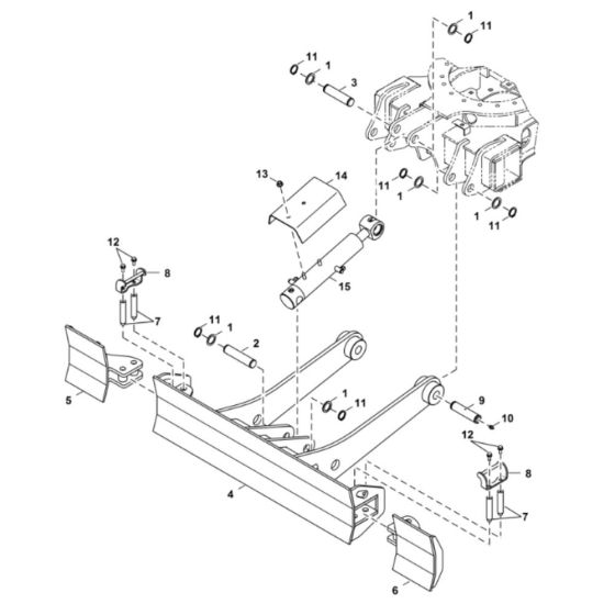
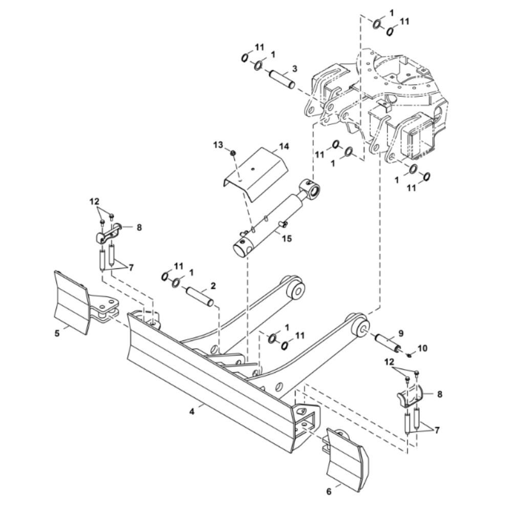
Description
The Blade Assembly for BobCat E17Z Mini Excavators ensures optimal performance and durability. Suitable for models with serial numbers B4PF11001 and above, this assembly includes essential components for effective operation. Options are available for both genuine and non-genuine parts, catering to various maintenance needs.
Reviews
Add a review
Write Your Own Review
Ask a Question
Customer Questions

