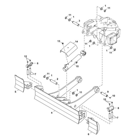
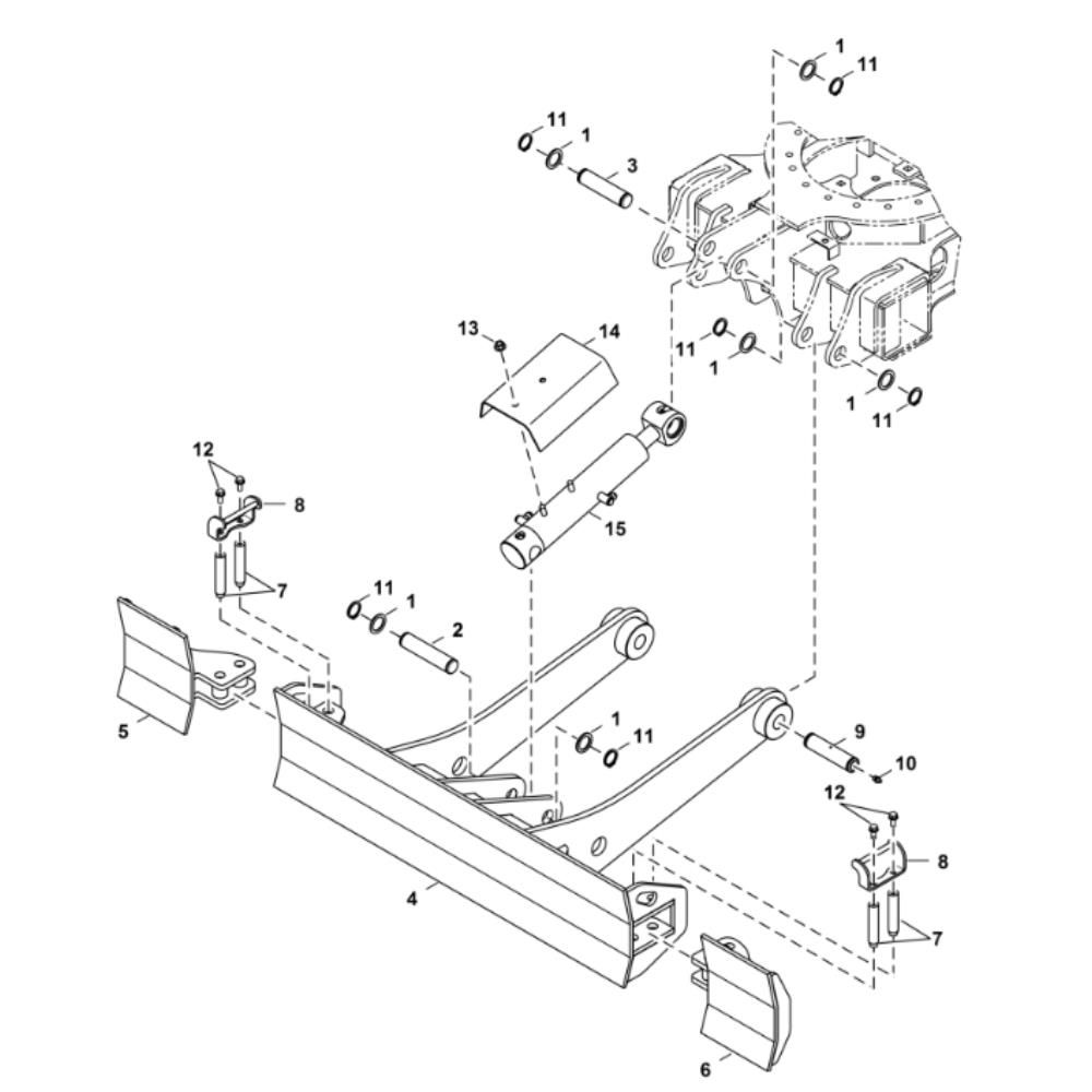
Description
The Blade Assembly for BobCat E17Z Mini Excavators is designed to ensure optimal performance and durability. Suitable for models with serial numbers B4PT11001 and above, this assembly includes essential components for effective operation. It helps maintain the machine's stability and efficiency during excavation tasks.
Reviews
Add a review
Write Your Own Review
Ask a Question
Customer Questions

