Description
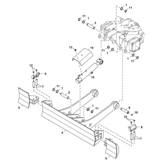
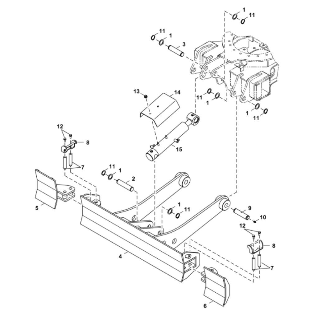
The Blade Assembly for BobCat E20 Mini Excavators is designed to ensure optimal performance and durability. Suitable for models with serial numbers AWRH11001 to AWRH12764, this assembly includes essential components like blades, bolts, and brackets. It plays a crucial role in maintaining the machine's efficiency and reliability during excavation tasks.
Reviews
Add a review
Write Your Own Review
Ask a Question
Customer Questions

