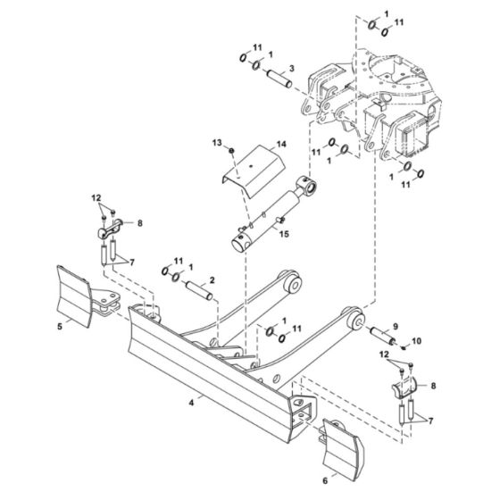
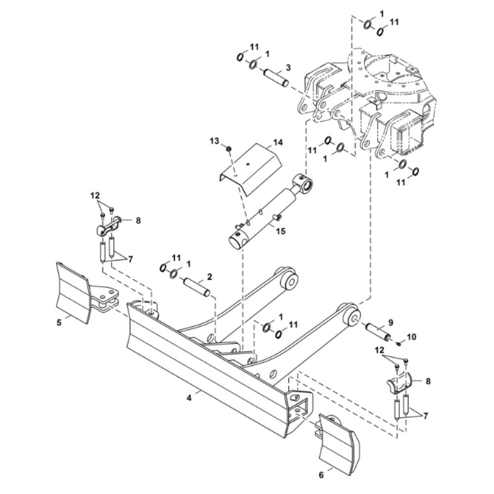
Description
The Blade (Std) Assembly for BobCat E20 Mini Excavators ensures optimal performance and durability. Designed for models with serial numbers B3BL11001 and above, this assembly includes essential components for effective operation. Genuine and non-genuine parts are available, providing options for maintenance and repair needs.
Reviews
Add a review
Write Your Own Review
Ask a Question
Customer Questions

