Description
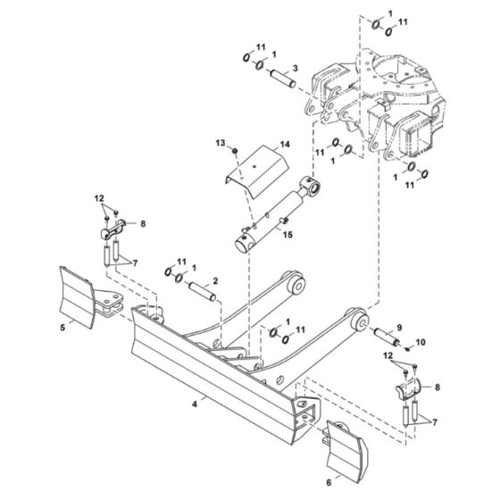
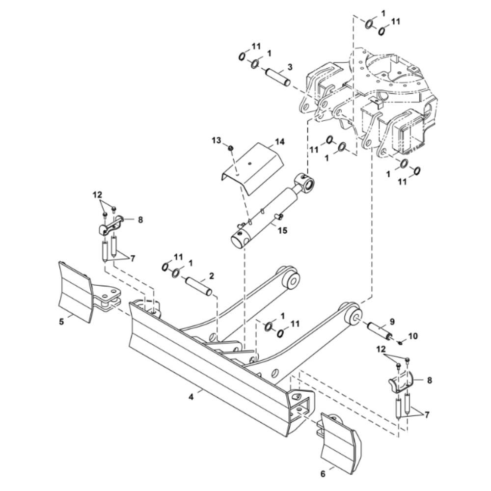
The Blade Assembly for BobCat E20Z Mini Excavators is designed for efficient earthmoving and grading tasks. Suitable for serial numbers B4PH11001 and above, this assembly includes components such as blades, brackets, and fasteners. It ensures optimal performance and durability, catering to both genuine and non-genuine part preferences.
Reviews
Add a review
Write Your Own Review
Ask a Question
Customer Questions

