Description
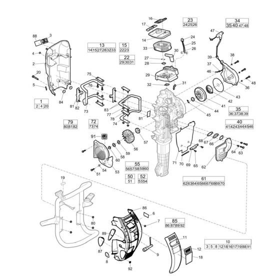
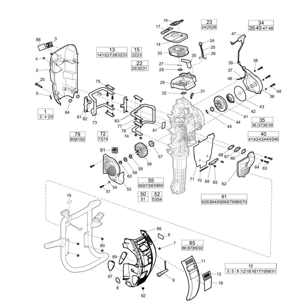
The Body Assembly for the Atlas Copco Cobra PROe Breaker is designed to ensure optimal performance and durability. This assembly includes key components that contribute to the breaker's efficiency and reliability. Genuine Atlas Copco parts are used to maintain the integrity and functionality of the machine, ensuring it operates smoothly during demanding tasks.
Reviews
Add a review
Write Your Own Review
Ask a Question
Customer Questions

