Description
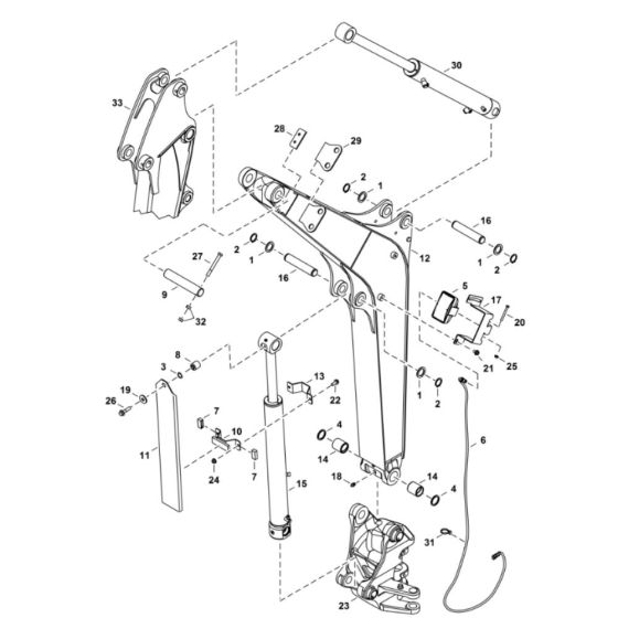
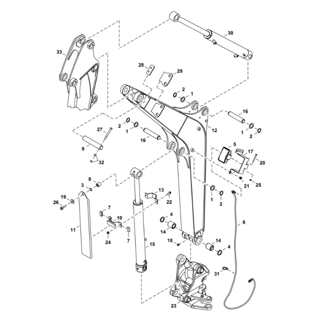
The Boom Assembly for BobCat E25 Mini Excavators is essential for efficient digging and lifting tasks. Designed for models with S/N AB8B11001 & above, it includes components like hydraulic cylinders, pins, and bushings. This assembly ensures optimal performance and durability, supporting various construction and landscaping applications.
Reviews
Add a review
Write Your Own Review
Ask a Question
Customer Questions

