Description
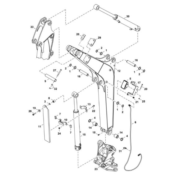
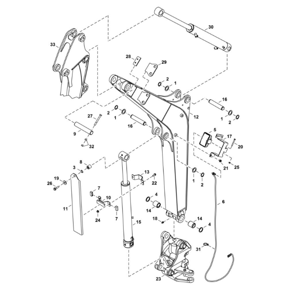
The Boom Assembly for BobCat E26 Mini Excavators is designed to ensure optimal performance and durability. Suitable for models with serial numbers B33211001 and above, this assembly includes key components such as hydraulic cylinders, pins, and bushings. It plays a crucial role in the excavator's operation, enabling efficient digging and lifting tasks. Available in both genuine and non-genuine parts.
Reviews
Add a review
Write Your Own Review
Ask a Question
Customer Questions

