Description
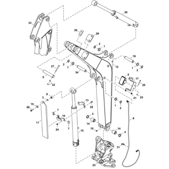
The Boom Assembly for BobCat E26 Mini Excavators is designed to ensure optimal performance and durability. Suitable for models with serial numbers B3JE11001 and above, this assembly includes key components such as hydraulic cylinders, pins, and bushings. These parts work together to provide smooth operation and precise control, essential for efficient excavation tasks.
Reviews
Add a review
Write Your Own Review
Ask a Question
Customer Questions

