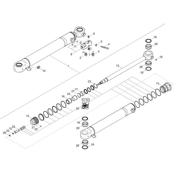
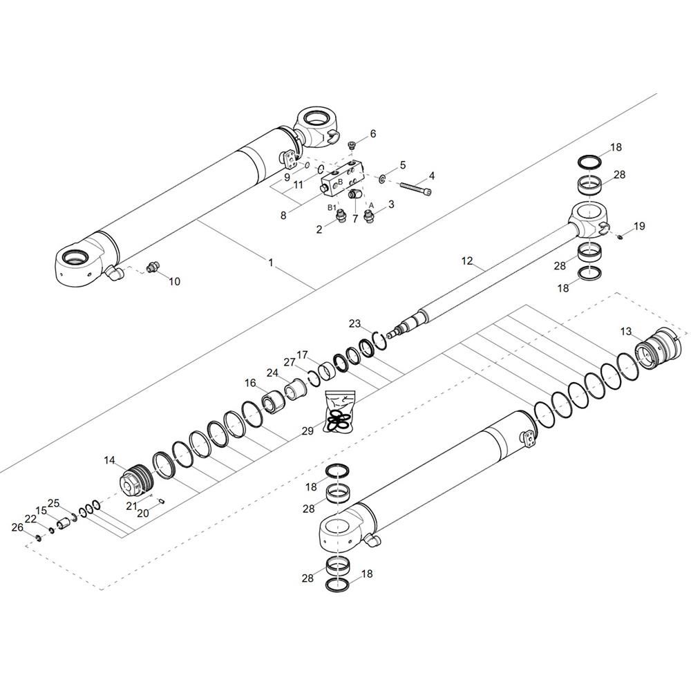
Description
The Boom Offset Cylinder Assembly for the Wacker EZ80 Mini Excavator is crucial for precise control and manoeuvrability. This assembly ensures optimal performance by allowing the boom to pivot, enhancing digging and positioning capabilities. Components include cylinders, seals, and mounting brackets, all designed to withstand demanding excavation tasks.
Reviews
Add a review
Write Your Own Review
Ask a Question
Customer Questions

