Description
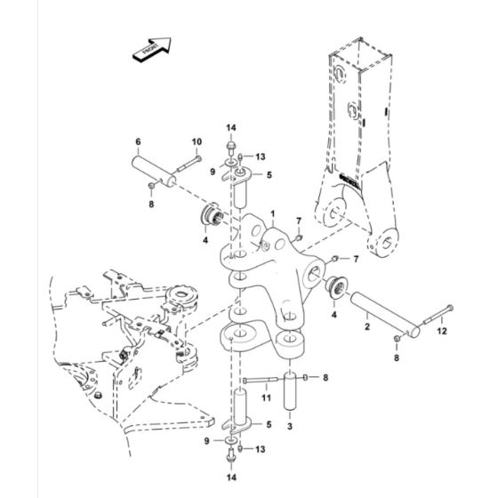
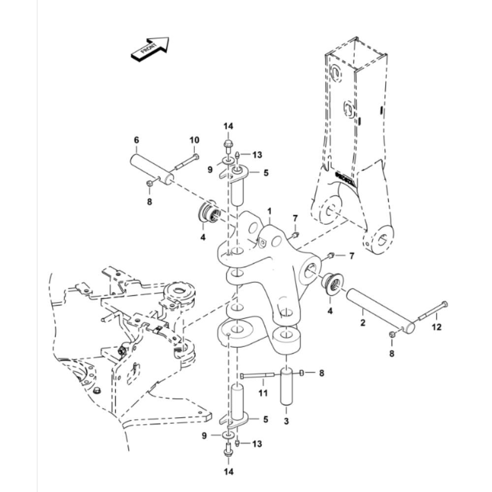
The Boom Swing Frame Assembly for BobCat E08 Mini Excavators is designed to enhance the machine's manoeuvrability and efficiency. This assembly includes crucial components such as pins, bushings, and brackets, ensuring smooth operation and durability. Suitable for serial numbers A4BP1101 to A4BP11960, it supports precise excavation tasks and reliable performance.
Reviews
Add a review
Write Your Own Review
Ask a Question
Customer Questions

