Description
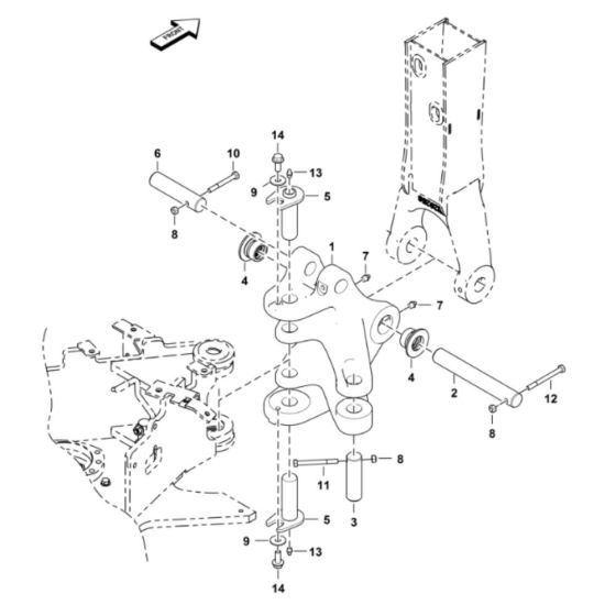
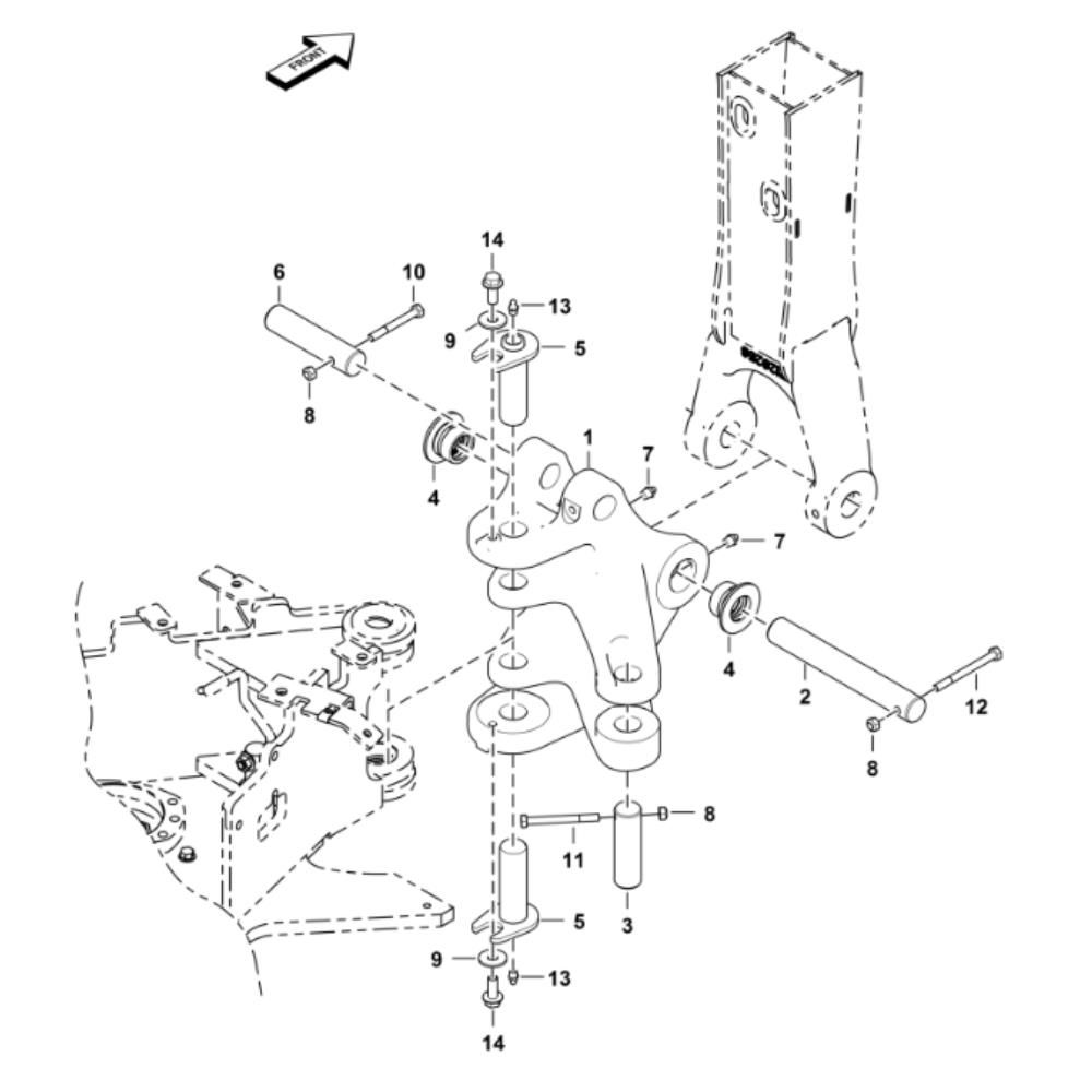
The Boom Swing Frame Assembly for BobCat E08 Mini Excavators is designed to enhance the machine's operational flexibility and precision. This assembly includes components such as pins, bushings, and brackets, which are crucial for the smooth movement and stability of the boom. Suitable for models with serial numbers B4PC11001 and above, it ensures reliable performance in various excavation tasks.
Reviews
Add a review
Write Your Own Review
Ask a Question
Customer Questions

