Description
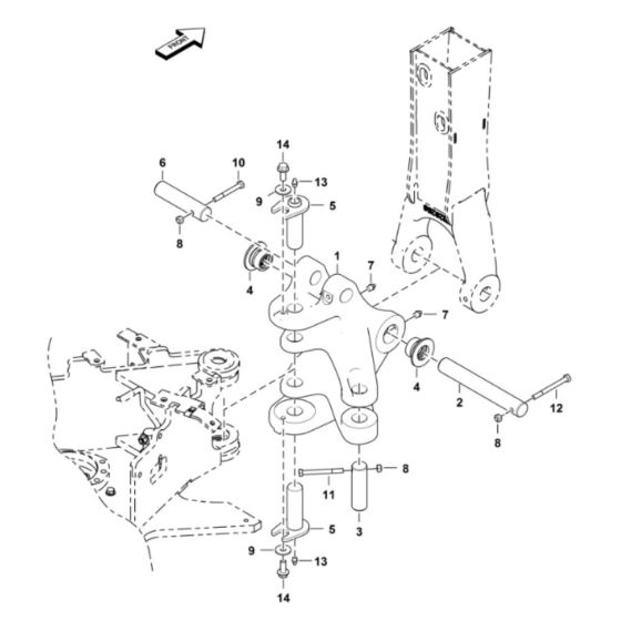
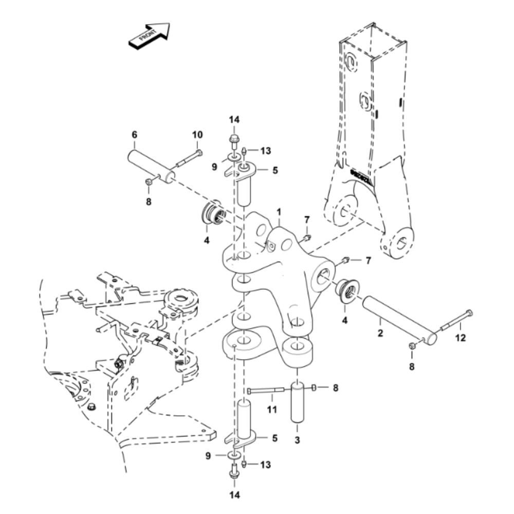
The Boom Swing Frame Assembly for BobCat E10 Mini Excavators is designed to support the boom's lateral movement, enhancing manoeuvrability and precision. This assembly includes components such as pivot pins, bushings, and brackets, ensuring smooth operation and durability. Suitable for models with serial numbers B4K911001 and above, it is available in genuine and non-genuine parts.
Reviews
Add a review
Write Your Own Review
Ask a Question
Customer Questions

