Description
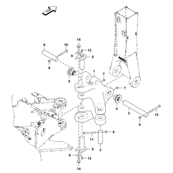
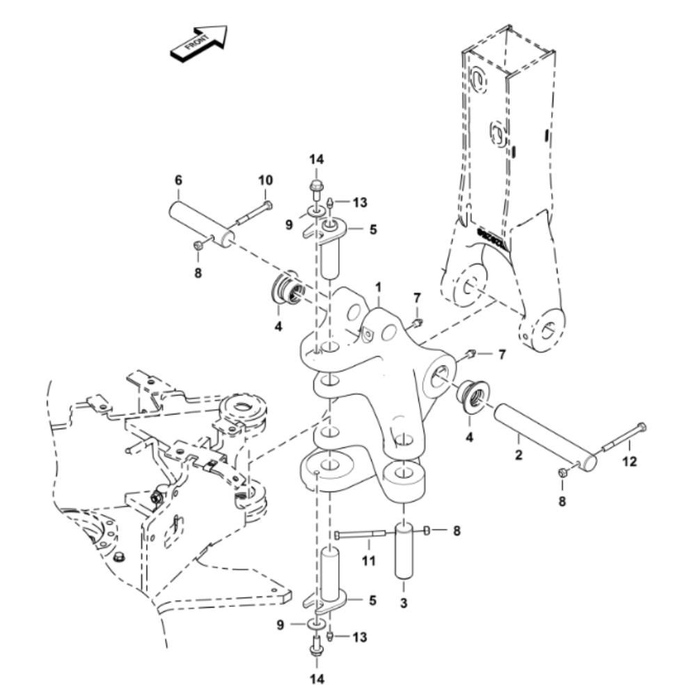
The Boom Swing Frame Assembly for BobCat E10Z Mini Excavators is designed to enhance the machine's operational efficiency. Suitable for models with S/N B4PD11001 and above, this assembly includes components such as pins, bushings, and brackets. It ensures smooth movement and stability during excavation tasks, contributing to the overall performance and longevity of the equipment.
Reviews
Add a review
Write Your Own Review
Ask a Question
Customer Questions

