Description
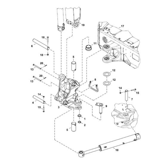
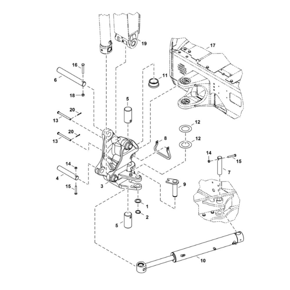
The Boom Swing Frame Assembly for BobCat E25 Mini Excavators is designed to facilitate the smooth operation of the boom swing function. This assembly includes critical components such as pins, bushings, and brackets, ensuring optimal performance and durability. Suitable for models with serial numbers AB8B11001 and above, it supports efficient excavation tasks.
Reviews
Add a review
Write Your Own Review
Ask a Question
Customer Questions

