Description
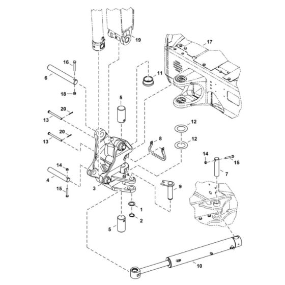
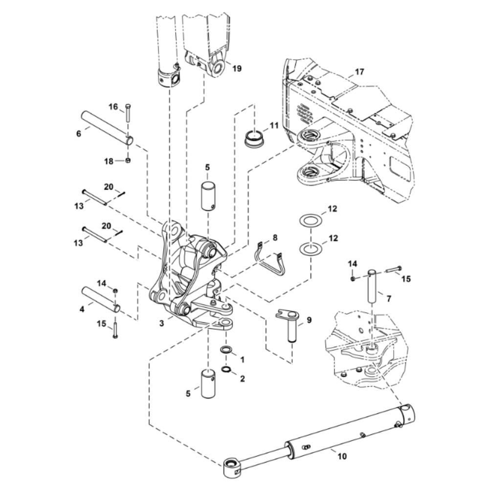
The Boom Swing Frame Assembly for BobCat E26 Mini Excavators is designed to enhance the machine's operational efficiency. This assembly includes components such as pins, bushings, and brackets, ensuring smooth and reliable movement of the boom. Suitable for serial numbers ACRA11001 and above, it supports both genuine and non-genuine parts, offering flexibility in maintenance and repair.
Reviews
Add a review
Write Your Own Review
Ask a Question
Customer Questions

