Description
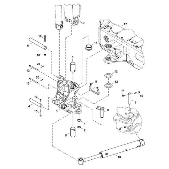
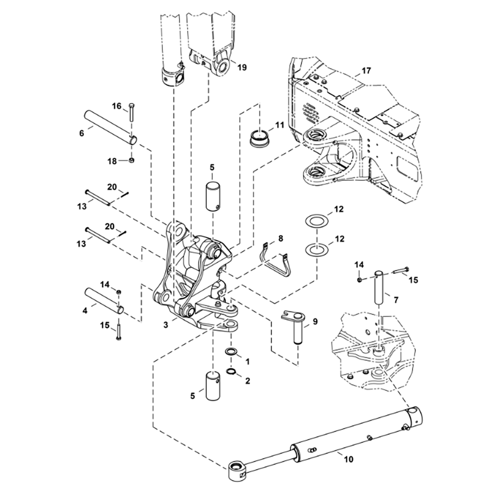
The Boom Swing Frame Assembly for BobCat E26 Mini Excavators is designed to enhance the machine's operational flexibility and efficiency. This assembly includes components such as pivots, bushings, and brackets, ensuring smooth and reliable swing motion. Suitable for models with serial numbers AJRY11001 and above, it supports both genuine and non-genuine parts.
Reviews
Add a review
Write Your Own Review
Ask a Question
Customer Questions

