Description
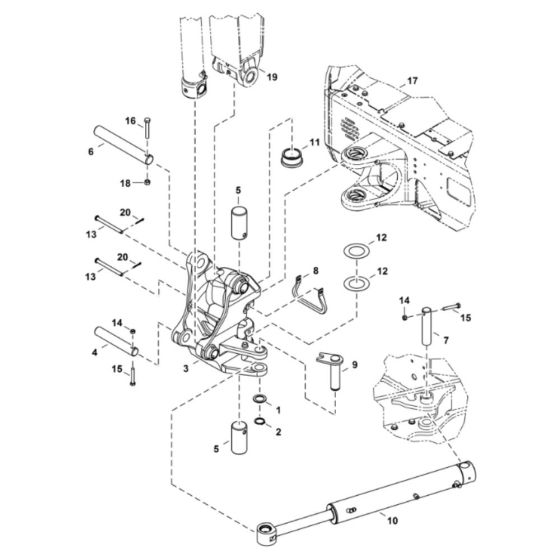
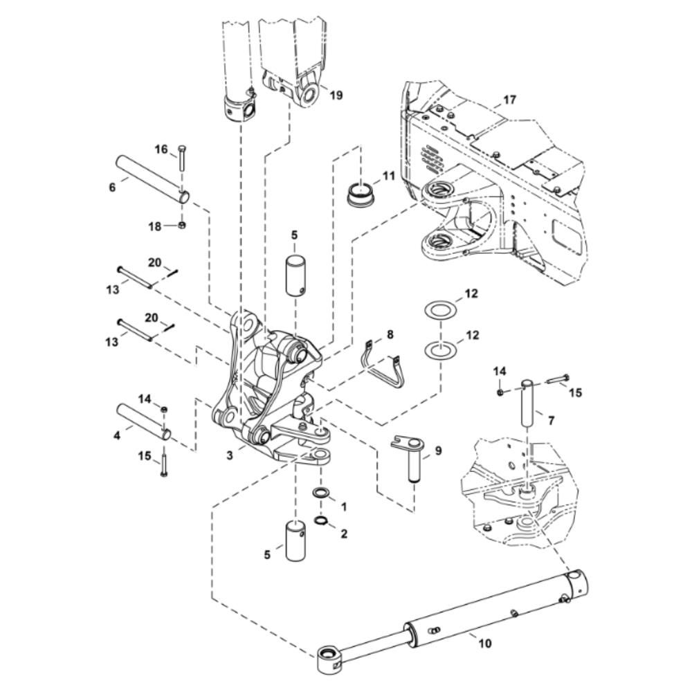
The Boom Swing Frame Assembly for BobCat E26 Mini Excavators is designed for efficient operation and durability. This assembly includes components such as pins, bushings, and brackets, ensuring smooth movement and stability during excavation tasks. Suitable for models with serial numbers B33211001 and above, it supports both genuine and non-genuine parts.
Reviews
Add a review
Write Your Own Review
Ask a Question
Customer Questions

