Description
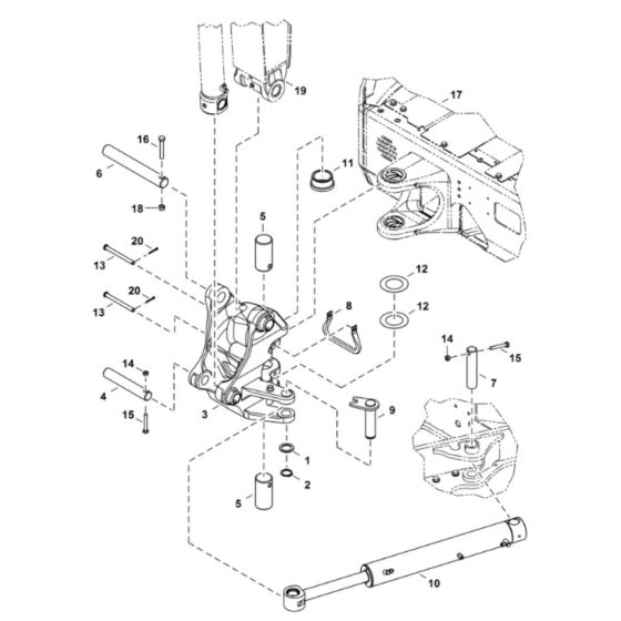
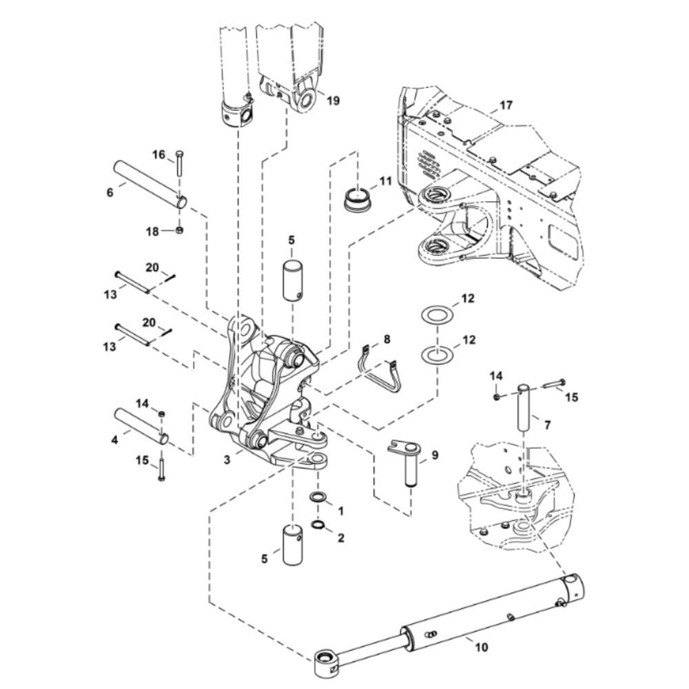
The Boom Swing Frame Assembly for BobCat E26 Mini Excavators is designed to enhance the machine's manoeuvrability and efficiency. This assembly includes key components such as pins, bushings, and brackets, ensuring smooth operation and durability. Suitable for models with serial numbers B3JE11001 and above, it is available in both genuine and non-genuine parts.
Reviews
Add a review
Write Your Own Review
Ask a Question
Customer Questions

