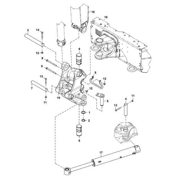
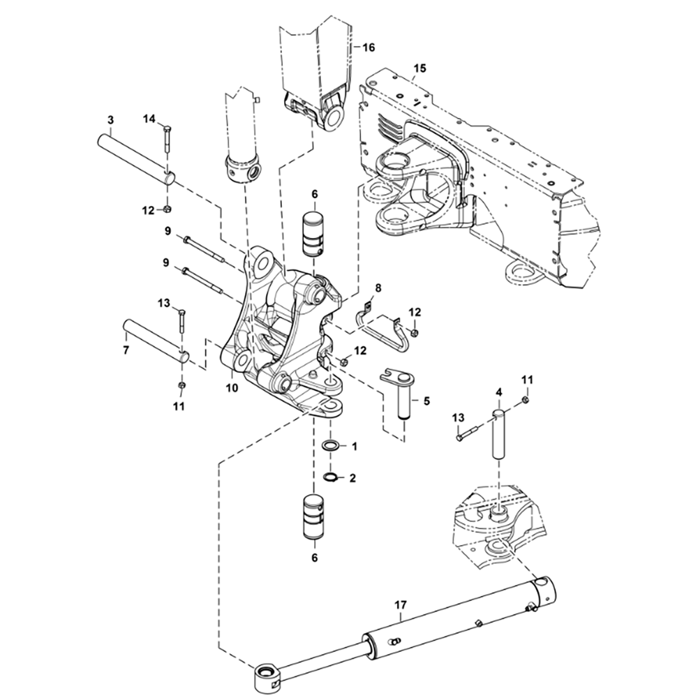
Description
The Boom Swing Frame Assembly for BobCat E26 Mini Excavators is designed to facilitate the smooth operation of the boom swing mechanism. This assembly includes crucial components such as pins, bushings, and brackets, ensuring optimal performance and durability. Suitable for models with serial numbers B4B811001 and above, it supports efficient excavation tasks.
Reviews
Add a review
Write Your Own Review
Ask a Question
Customer Questions

