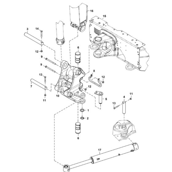
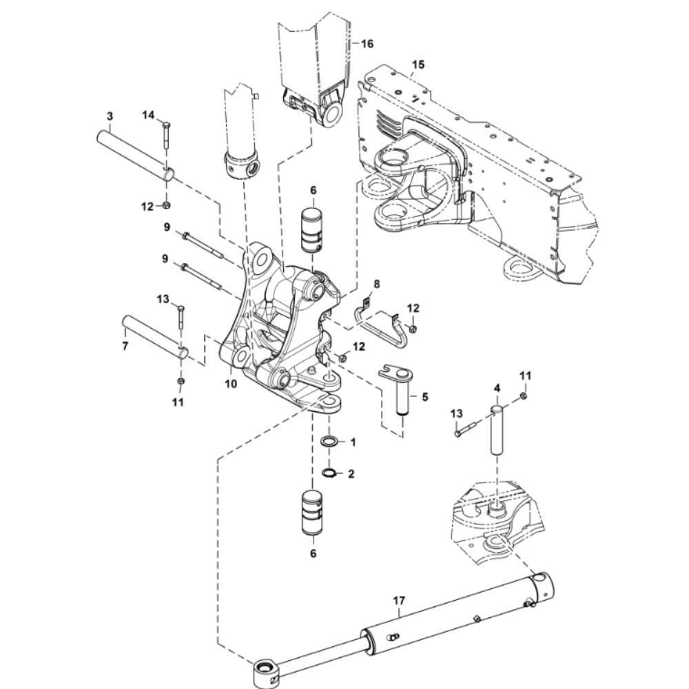
Description
The Boom Swing Frame Assembly for BobCat E26 Mini Excavators is designed to enhance the machine's operational efficiency. This assembly includes components such as pins, bushings, and brackets, ensuring smooth and reliable movement. Suitable for models with serial numbers B4B811001 and above, it supports precise excavation tasks and reduces wear on the machine.
Reviews
Add a review
Write Your Own Review
Ask a Question
Customer Questions

