Description
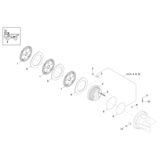
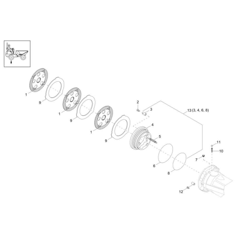
The Brake Assembly for the Wacker DV100 Dumper is designed to ensure optimal braking performance and safety. This assembly includes key components such as brake pads, discs, and calipers, which work together to provide reliable stopping power. Regular maintenance of these parts is crucial for the efficient operation of the dumper, enhancing both safety and longevity.
Reviews
Add a review
Write Your Own Review
Ask a Question
Customer Questions

