Description
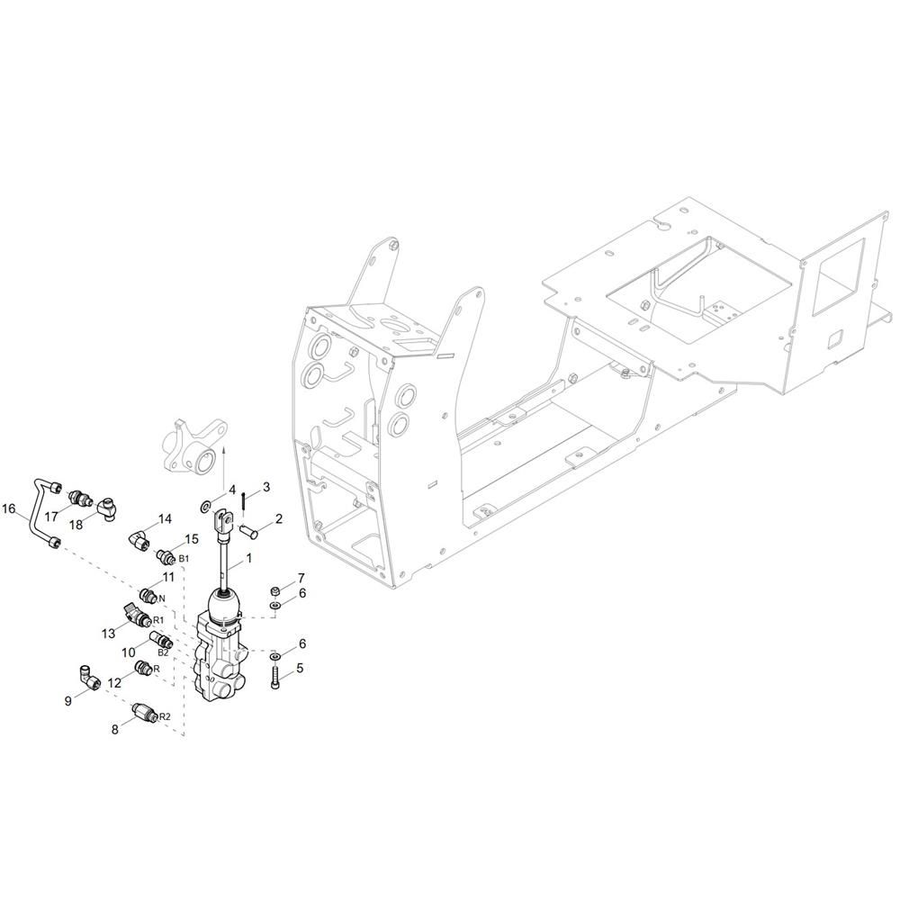
The Brake Cylinder Assembly for the Wacker DV125 Dumper is crucial for maintaining effective braking performance. This assembly includes components such as pistons, seals, and springs, ensuring reliable operation and safety. Designed for the Wacker Neuson Dumper, it helps in the smooth functioning of the braking system, reducing wear and enhancing control.
Reviews
Add a review
Write Your Own Review
Ask a Question
Customer Questions

