Description
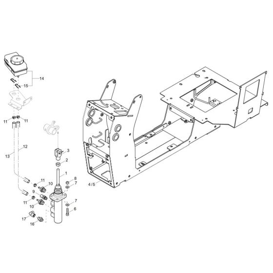
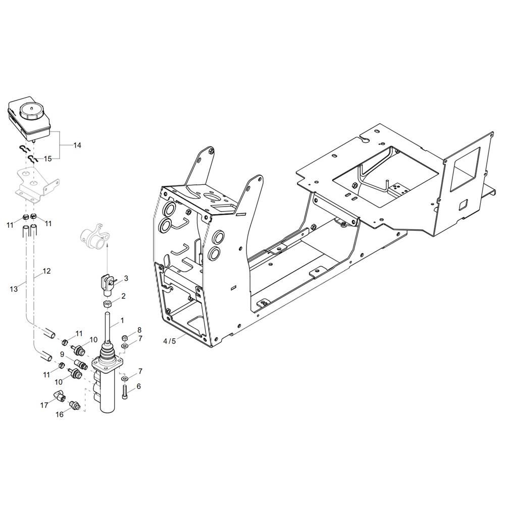
The Brake Cylinder Assembly for the Wacker DV60-2 Dumper is crucial for ensuring effective braking performance. This assembly includes components like pistons, seals, and springs, designed to maintain optimal pressure and safety. Regular maintenance of these parts helps in prolonging the lifespan of the dumper and ensuring operational reliability.
Reviews
Add a review
Write Your Own Review
Ask a Question
Customer Questions

