Description
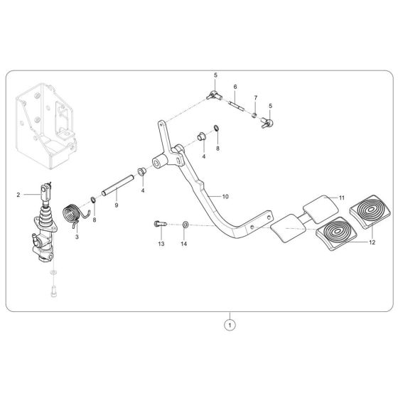
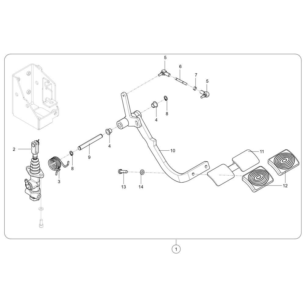
The Brake Pedal Assembly for the Wacker TH627 Telehandler is crucial for ensuring safe and efficient operation. This assembly includes components such as the pedal, springs, and linkage, designed to provide reliable braking performance. Regular maintenance of these parts helps maintain optimal functionality and safety standards.
Reviews
Add a review
Write Your Own Review
Ask a Question
Customer Questions

