Description
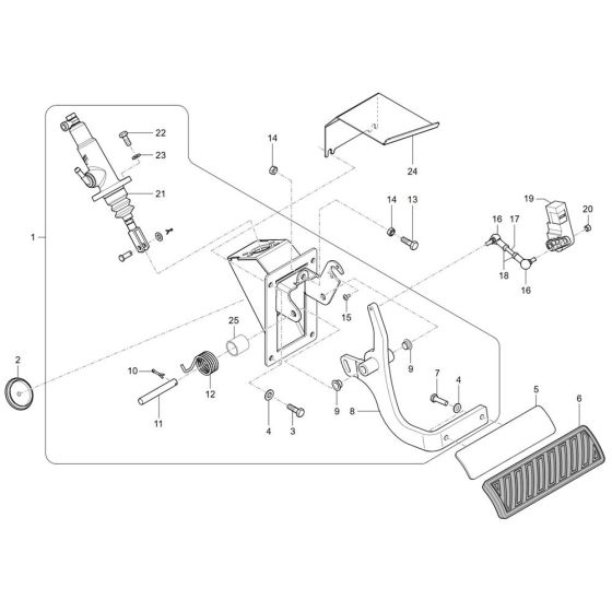
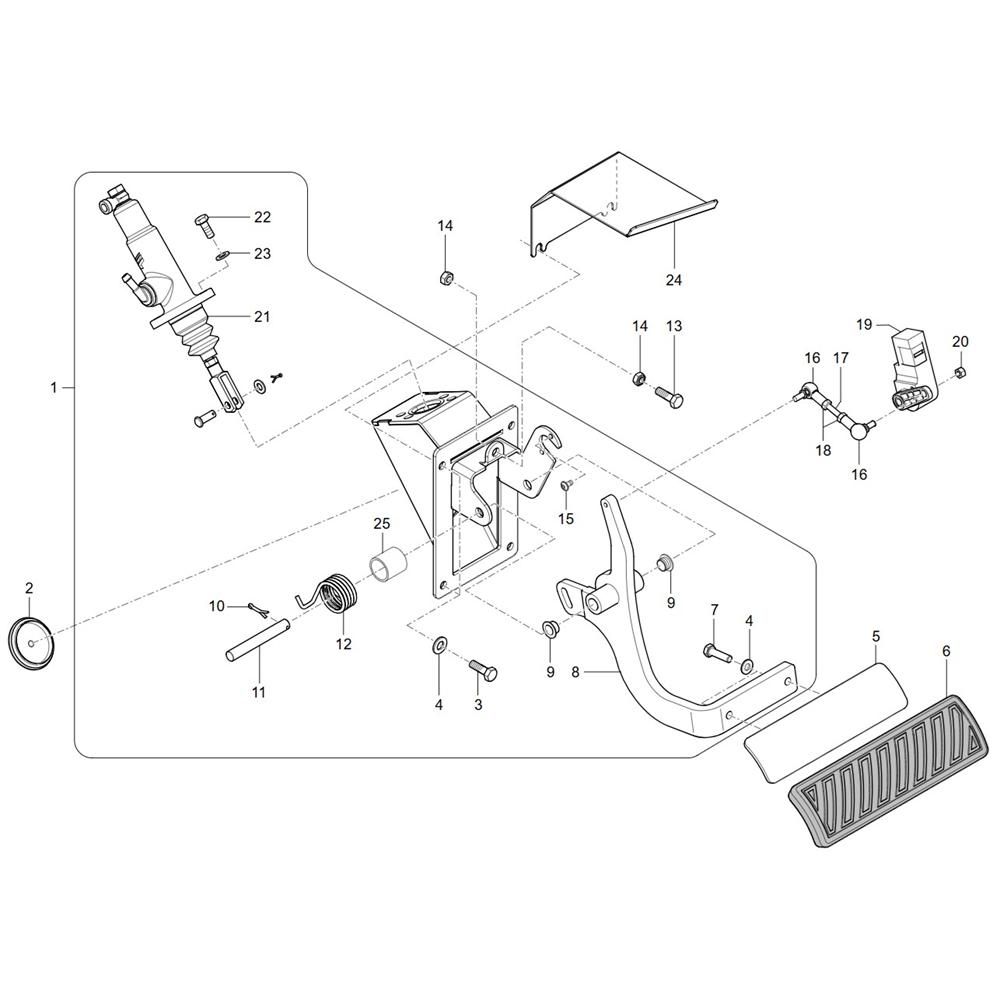
The Brake Pedal Assembly for the Wacker TH740 Telehandler ensures effective braking performance and safety. This assembly includes components such as levers, springs, and brackets, all designed to work seamlessly with the Wacker Neuson system. Regular maintenance of these parts is crucial for optimal operation and longevity of the telehandler.
Reviews
Add a review
Write Your Own Review
Ask a Question
Customer Questions

