Description
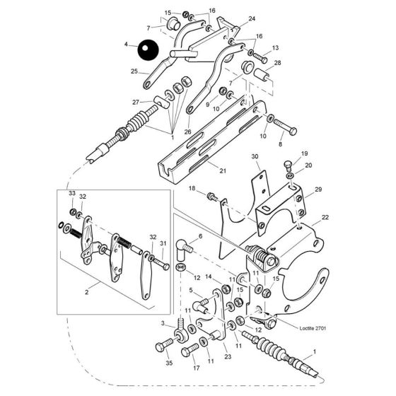
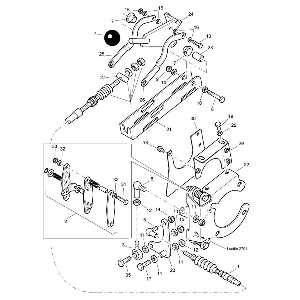
The Brake Assembly for the Bomag BW 71 EHB-2 Roller ensures effective braking performance and safety. This assembly includes key components designed to maintain the roller's operational efficiency. Regular maintenance of these parts is crucial for optimal function and longevity. Genuine Bomag parts ensure compatibility and reliability.
Reviews
Add a review
Write Your Own Review
Ask a Question
Customer Questions

