Description
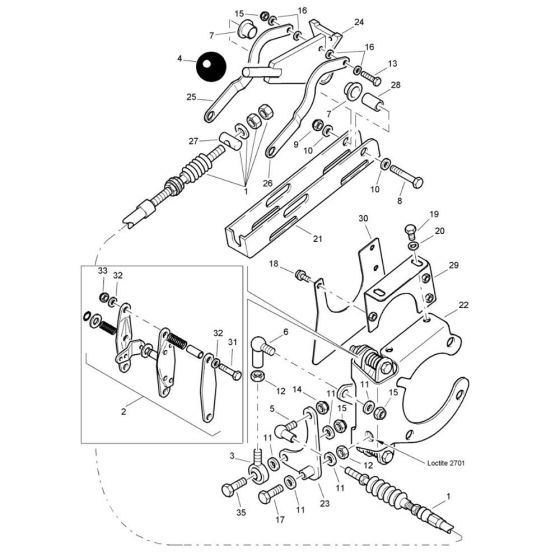
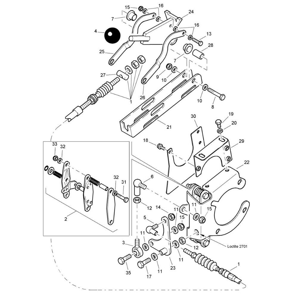
The Brake Assembly for the Bomag BW 71 EHB-2 Roller ensures reliable stopping power and safety during operation. This assembly is crucial for maintaining the roller's performance and includes components such as brake pads, calipers, and discs. Designed for specific serial numbers, it provides compatibility and efficiency.
Reviews
Add a review
Write Your Own Review
Ask a Question
Customer Questions

