Description
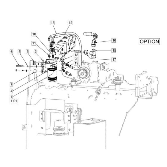
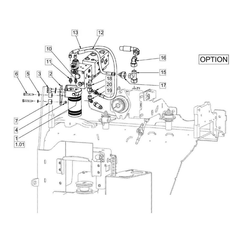
The Bypass Oil Filter for Hamm HD10 - 12 (H171) Compaction Roller is designed to enhance engine performance by filtering out contaminants. This filter helps maintain optimal oil cleanliness, reducing wear and extending engine life. Suitable for both genuine and non-genuine parts, it ensures reliable operation in demanding environments.
Reviews
Add a review
Write Your Own Review
Ask a Question
Customer Questions

