Description
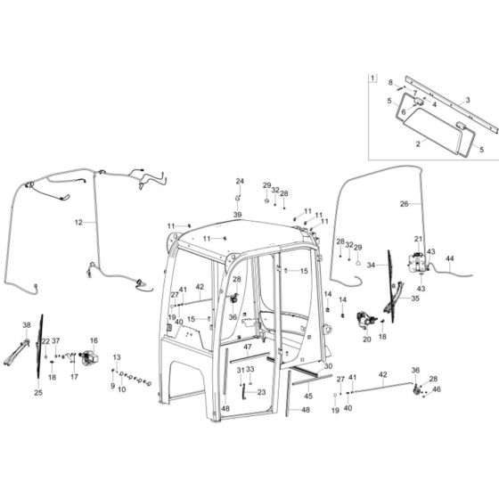
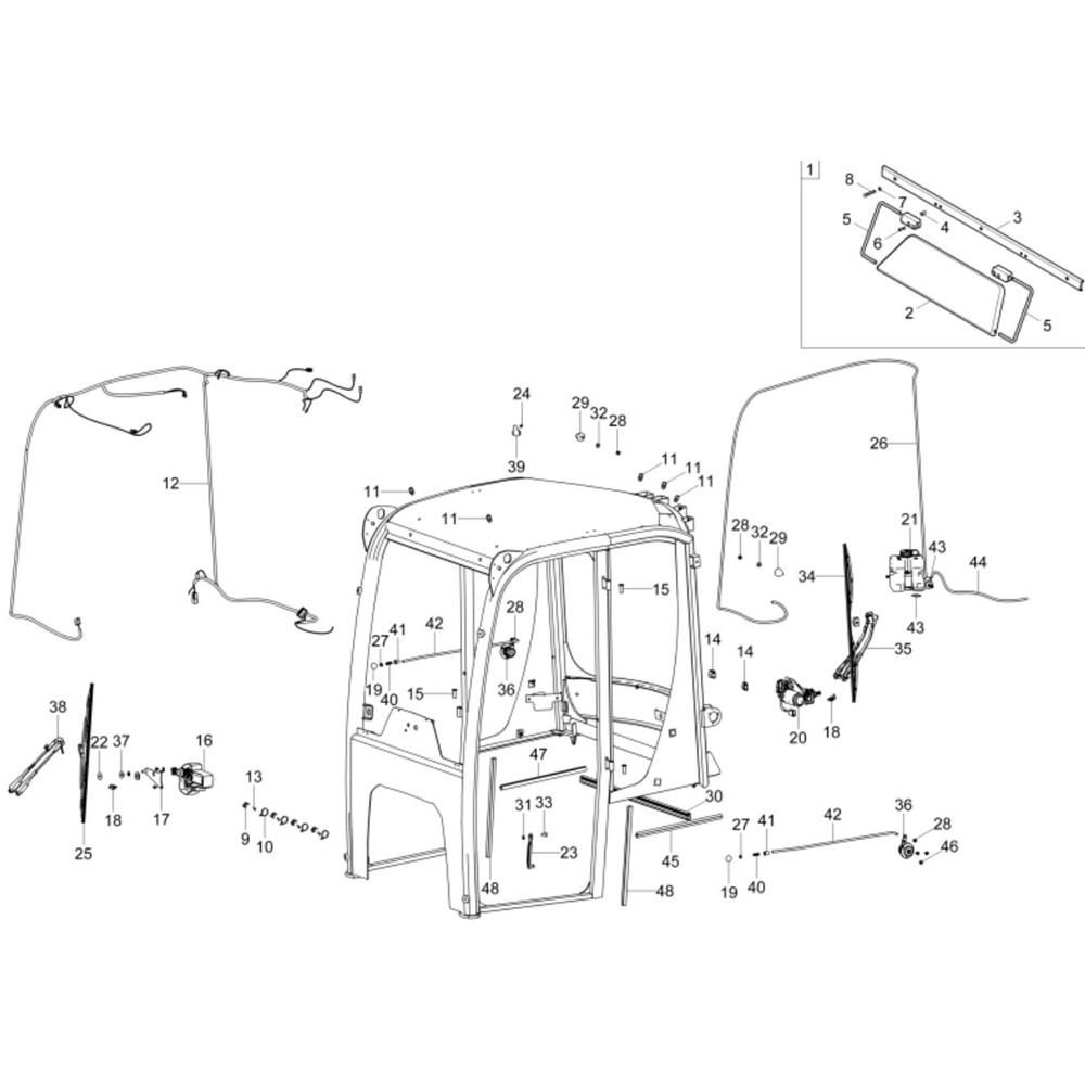
The Cabin Assembly for the Wacker DW90-2 Dumper is designed to enhance operator comfort and safety. It includes essential components such as windows, doors, and seating arrangements, ensuring a secure and ergonomic environment. This assembly is crucial for maintaining visibility and protection during operation, contributing to efficient and safe dumper use.
Reviews
Add a review
Write Your Own Review
Ask a Question
Customer Questions

