Description
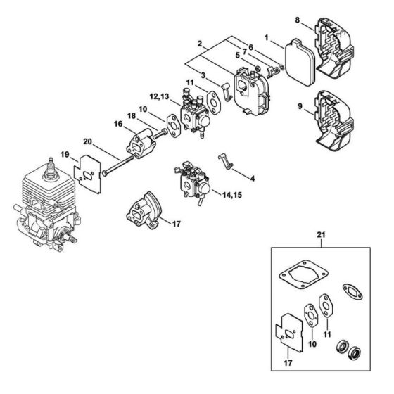
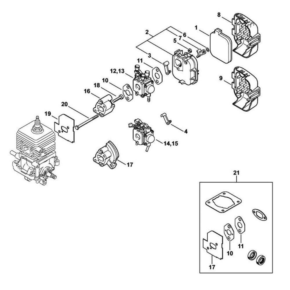
The Carburetor and Air Filter for the Stihl BG 85 Leaf Blower are crucial for maintaining optimal engine performance. The carburetor ensures the correct fuel-air mixture, while the air filter protects the engine from dust and debris. These components are available in both genuine and non-genuine options, providing flexibility for maintenance and repair needs.
Reviews
Add a review
Write Your Own Review
Ask a Question
Customer Questions

