Description
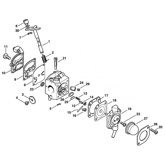
The Carburetor C1Q-S50 Assembly is designed for Stihl BG55, BG65, and BG85 blowers, ensuring optimal engine performance. This assembly includes components like gaskets, springs, and levers, crucial for maintaining fuel efficiency and engine reliability. Suitable for routine maintenance and repairs, it helps keep your blower in top condition.
Reviews
Add a review
Write Your Own Review
Ask a Question
Customer Questions

