Description
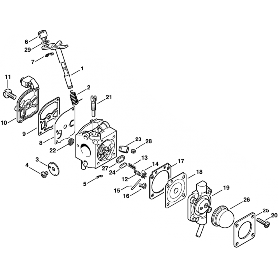
The Carburetor C1Q-S55 Assembly is designed for the Stihl SH55 Shredder models manufactured before April 2001. This assembly plays a crucial role in mixing air and fuel for optimal engine performance. It includes various components such as gaskets, springs, and levers, ensuring efficient operation and maintenance of your shredder. Genuine and non-genuine parts are available to suit different needs.
Reviews
Add a review
Write Your Own Review
Ask a Question
Customer Questions

