Description
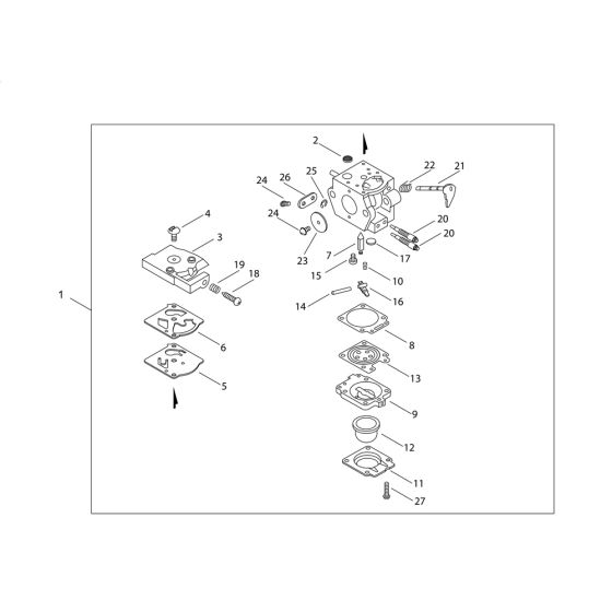
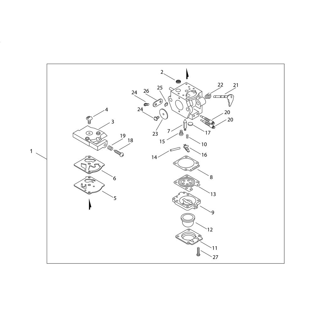
The carburetor for the ECHO PB-580 Backpack Blower is essential for optimal fuel and air mixture, ensuring efficient engine performance. Designed for both genuine and non-genuine parts, it supports the blower's functionality by regulating fuel flow. Key components include jets, gaskets, and diaphragms, crucial for maintaining engine reliability and longevity.
Reviews
Add a review
Write Your Own Review
Ask a Question
Customer Questions

