Description
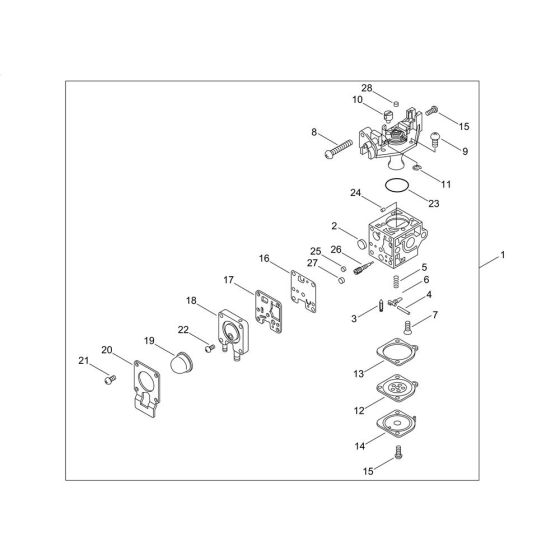
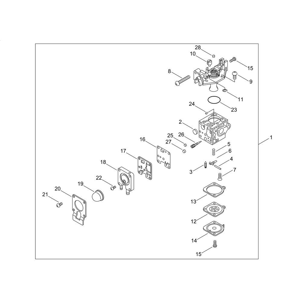
The carburettor for the ECHO GT-222ES Brushcutter is essential for optimal fuel and air mixture, ensuring efficient engine performance. This component is crucial for maintaining the brushcutter's reliability and longevity. Available in both genuine and non-genuine parts, it includes options for different needs and budgets, supporting routine maintenance and repairs.
Reviews
Add a review
Write Your Own Review
Ask a Question
Customer Questions

